首页
产品中心
硅基芯片及模组系列
第三代半导体芯片及模组系列
IGBT单管
IGBT模块
PIM
IPM
SJ MOSFET
VD MOSFET
Trench MOSFET
SGT MOSFET
SiC MOSFET 单管
SiC MOSFET 模块
SiC JBS
GaN
行业应用
汽车类
清洁能源类
工控类
白电类
质量管理
新闻中心
公司新闻
关于mile米乐
公司简介
发展历程
加入mile米乐
联系mile米乐
中文
EN
首页
产品中心
硅基芯片及模组系列
IGBT单管
IGBT模块
PIM
IPM
SJ MOSFET
VD MOSFET
Trench MOSFET
SGT MOSFET
第三代半导体芯片及模组系列
SiC MOSFET 单管
SiC MOSFET 模块
SiC JBS
GaN
行业应用
汽车类
清洁能源类
工控类
白电类
质量管理
新闻中心
公司新闻
关于mile米乐
公司简介
发展历程
加入mile米乐
联系mile米乐
中文
EN
咨询热线
0755-21054557 / 025-87153770
商务合作
sales@mp-tech.cn
Industry application
行业应用
首页
>
行业应用
>
汽车类
应用概述
应用系统图
应用拓扑图
推荐产品
OBC(车载充电器)
应用概述
OBC(车载充电器)主要用于对EV电池包进行快速充电。负责将电网输入的高压交流电,转换为低压直流电,对EV的电池包进行快速充电。
OBC(车载充电器)
应用系统图
OBC(车载充电器)
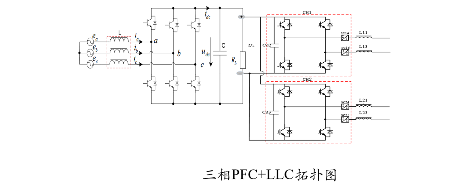
应用拓扑图
OBC(车载充电器)
推荐产品
IGBT单管产品清单
Part Number
VCE(V)
Ic(A)@100℃
Vcesat(V) @25℃
typ
Eon(mJ)
Eoff(mJ)
Package
Datasheet
MPBW50N65ED
650
50
1.6
0.9
1.12
TO-247
Download