新能源汽车主逆变器
应用概述
应用概述
逆变器在电动汽车中扮演着极为重要的角色。将电池的直流电转换成频率和幅值可调的交流电,用于驱动控制车轮转速的电机。
新能源汽车主逆变器
应用系统图
应用系统图
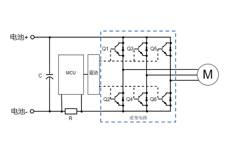
新能源汽车主逆变器
应用拓扑图
应用拓扑图
新能源汽车主逆变器
推荐产品
推荐产品
IGBT模块产品清单
| Part Number | VCE(V) | Ic(A)@100℃ | Vcesat(V) @25℃ typ |
Eon(mJ) | Eoff(mJ) | Package | Datasheet |
|---|---|---|---|---|---|---|---|
| MPFS400R08HBF | 750 | 400 | 1.45 | 14.5 | 31.7 | HP1 DC6 Pinfin | Download |
| MPFS400R08HBFF | 750 | 400 | 1.43 | 6.4 | 10.48 | HP1 DC2 平底板 | Download |
| MPFS820R08PBF | 750 | 820 | 1.37 | 15.6 | 17.4 | HybridPACK Drive | Download |
| MPFS950R08PBF | 750 | 950 | 1.45 | 12 | 19 | HybridPACK Drive | Download |
| MPFF600R12MBF M3 | 1200 | 600 | 2.2 | 151.3 | 88.6 | EconoDUAL 3 | Download |
| MPFF600R12MBF M5 | 1200 | 600 | 1.65 | 118.4 | 79.2 | EconoDUAL 3 | Download |
硅基芯片及模组系列
第三代半导体芯片及模组系列